大电流收口扭簧端子,采用高纯度紫铜基材与镀银工艺,专为新能源汽车、储能系统及充电桩等高电流场景设计。产品通过独特的收口扭簧结构实现低阻抗、高可靠的电气连接,满足大电流传输需求,同时具备优异的耐腐蚀性、散热性能及抗震动能力,是新能源领域核心部件连接的优选方案。
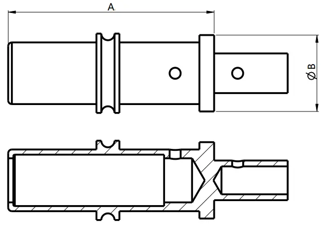
| 产品型号 | 产品名称 | 尺寸A(mm) | 尺寸B(mm) | 最大压线规格(mm²) | 电流范围(A) |
|---|---|---|---|---|---|
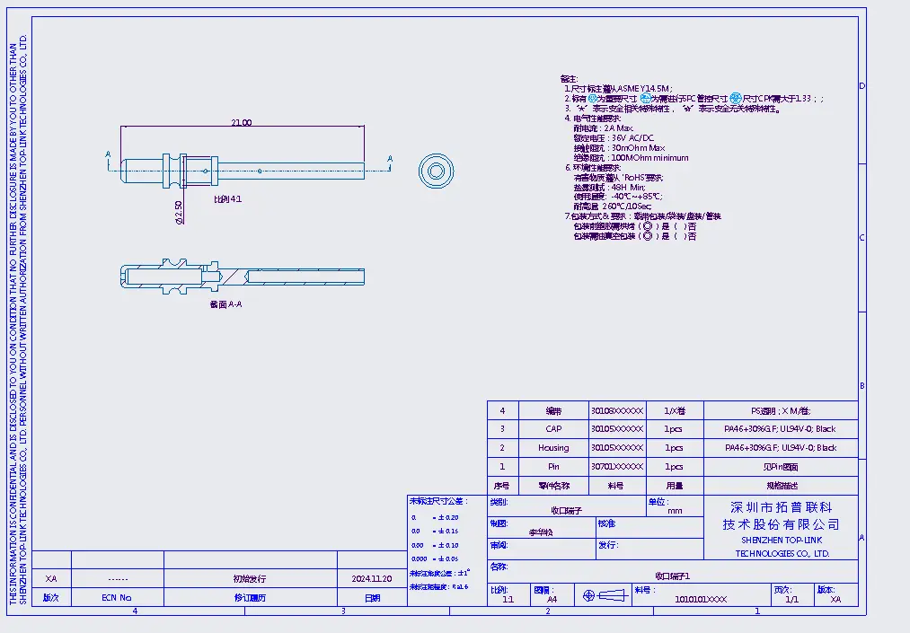
| 1.0 | 收口端子1.0 | 21.00 | 2.50 | 1.5 | 5A-8A |
| 1.5 | 收口端子1.5 | 21.00 | 3.50 | 2.5 | 8A-10A |
| 1.6 | 收口端子1.6 | 21.00 | 3.50 | 4.0 | 10A-15A |
| 2.0 | 收口端子2.0 | 21.00 | 4.00 | 6.0 | 12A-18A |
| 2.8 | 收口端子2.8 | 25.00 | 5.00 | 8.0/10.0 | 15A-20A |
| 3.0 | 收口端子3.0 | 25.00 | 5.00 | 16.0 | 20A-30A |
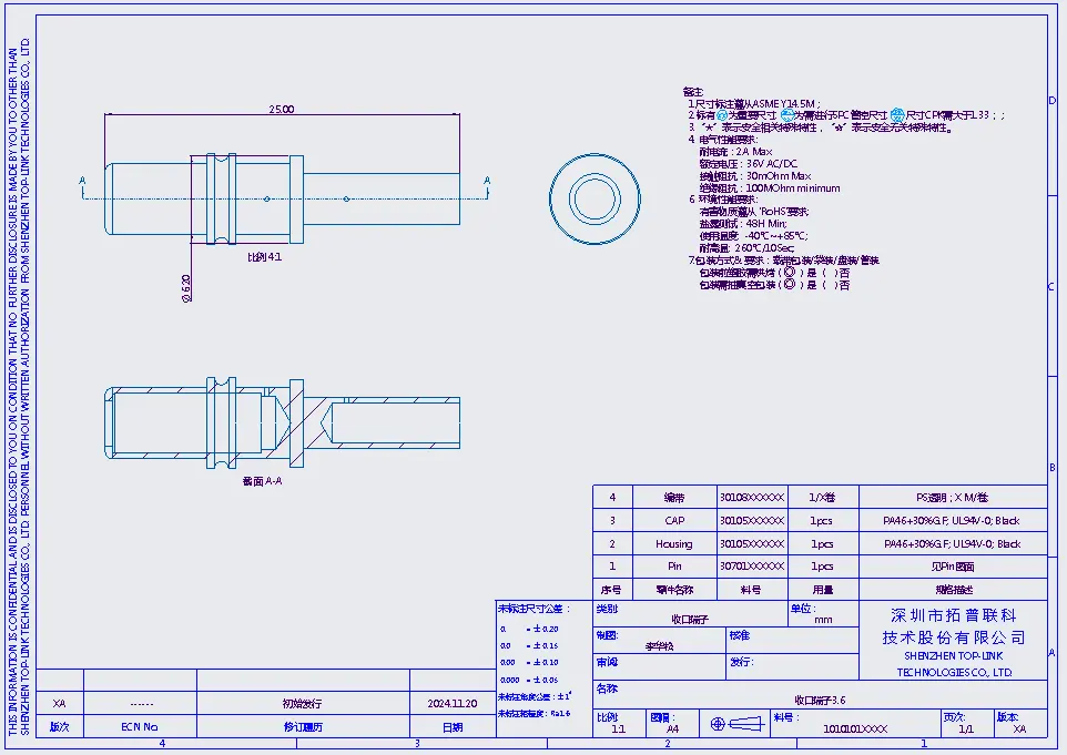
| 3.6 | 收口端子3.6 | 25.00 | 6.20 | 25.0 | 30A-50A |
| 4.0 | 收口端子4.0 | 25.00 | 6.80 | 35.0 | 50A-80A |
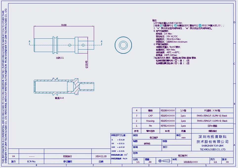
| 6.0 | 收口端子6.0 | 38.00 | 10.40 | 50.0 | 100A-180A |

收口端子 收口端子 选型表
| 产品型号 Product model | 产品名称Name | A | B | 最大压线规格 Maximum specification of press-wire (mm²) | 电流 Current | 二维图 2D drawing | 三维图 3D drawing | 三维截面图(带簧片) 3D sectional drawing (with spring contact) |
|---|---|---|---|---|---|---|---|---|
| 1 | 收口端子1.0 Close-up terminal 1.0 | 21 | 2.5 | 1.5 | 5A-8A | ![]() ![]() | ![]() ![]() | ![]() ![]() |
| 1.5 | 收口端子1.5 Close-up terminal 1.5 | 21 | 3.5 | 2.5 | 8A-10A | ![]() ![]() | ![]() ![]() | |
| 1.6 | 收口端子1.6 Close-up terminal 1.6 | 21 | 3.5 | 4 | 10A-15A | ![]() ![]() | ![]() ![]() | |
| 2 | 收口端子2.0 Close-up terminal 2.0 | 21 | 4 | 6 | 12A-18A | ![]() ![]() | ![]() ![]() | |
| 2.8 | 收口端子2.8 Close-up terminal 2.8 | 25 | 5 | 8.0/10.0 | 15A-20A | ![]() ![]() | ![]() ![]() | |
| 3 | 收口端子3.0 Close-up terminal 3.0 | 25 | 5 | 16 | 20A-30A | ![]() ![]() | ![]() ![]() | ![]() ![]() |
| 3.6 | 收口端子3.6 Close-up terminal 3.6 | 25 | 6.2 | 25 | 30A-50A | ![]() ![]() | ![]() ![]() | |
| 4 | 收口端子4.0 Close-up terminal 4.0 | 25 | 6.8 | 35 | 50A-80A | ![]() ![]() | ![]() ![]() | |
| 6 | 收口端子6.0 Close-up terminal 6.0 | 38 | 10.4 | 50 | 100A-180A | ![]() ![]() | ![]() ![]() | |
| A | B | C | D | E | F | G | H | I |