扭簧+螺柱端子

扭簧+螺柱端子

接触电阻
动态接触电阻通常<30mΩ,低电流电压下稳定传输信号.
电流范围
常规0.5-3A,大电流款可达5-100A+,承载力取决于材质、电镀、结构等.
工作温度
-40°C至+120°C,部分可扩至更宽温度范围,在极端条件下性能稳定.
耐盐雾性
耐盐雾24小时至1000小时+,具体取决于镀层材料和测试标准.
尺寸精度
加工精度达μm级,直径精度可达±0.02mm,如高度精度可达±0.05mm,满足严苛要求.
耐久性
寿命周期可达数万至百万次压缩,取决于镀层材料和弹簧疲劳特性.

产品选型


扭簧+螺柱端子扭簧+螺柱

选型表

扭簧+螺柱端子 扭簧+螺柱 选型表

产品型号 Product modelAB电流Current二维图2D drawing
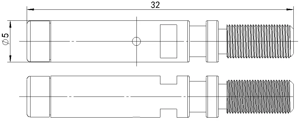
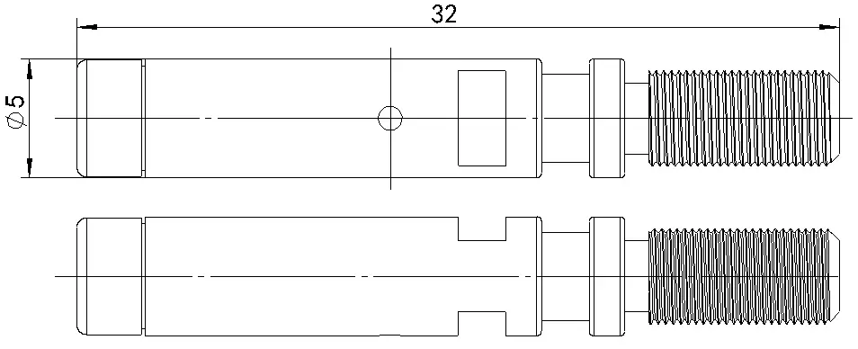
332520A-30A
扭簧+螺柱端子扭簧+螺柱
扭簧+螺柱端子扭簧+螺柱
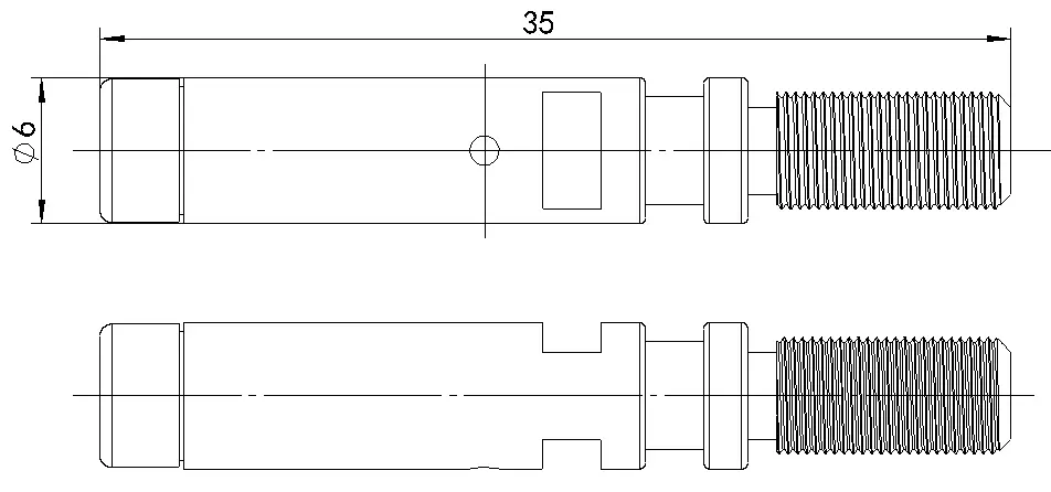
3.635630A-50A
扭簧+螺柱端子扭簧+螺柱
扭簧+螺柱端子扭簧+螺柱
6389100A-180A
扭簧+螺柱端子扭簧+螺柱
扭簧+螺柱端子扭簧+螺柱
84711200A-260A
扭簧+螺柱端子扭簧+螺柱
扭簧+螺柱端子扭簧+螺柱
105113.5260A-310A
扭簧+螺柱端子扭簧+螺柱
扭簧+螺柱端子扭簧+螺柱
ABCDE
如何正确计算大电流端子的电流承载能力?
1. 测量实际工作电流,包括峰值电流(如电机启动时的瞬时电流);
2. 预留安全余量:选型电流 = 测量峰值 × 1.2~1.5 倍;
3. 考虑高温影响:高温环境下,普通连接器载流能力下降,需选择耐高温工业级产品。
如何确保大电流端子的长期接触稳定性?
1. 镀层材料:镍底镀银工艺比纯铜更耐磨、耐腐蚀,长期电阻更稳定;
2. 接触压力:压力不足会导致“虚接”,推荐采用刚性插针 + 劈槽式插孔结构;
3. 抗腐蚀性:盐雾、硫化氢等环境会加速氧化,需选择通过 96H 盐雾测试的产品。
大电流端子的连接方式有哪些?如何选择?
1. 压接式:气密性高,适合高振动环境;
2. 焊接式(THR/SMT):适用于 PCB 板载,需注意焊点耐温性;
3. 插拔式:方便维护,但需确保锁紧机制(如螺旋卡口 + 止退外圈结构);
4. 选型建议:高振动场景优先选择压接或带锁紧结构的插拔式端子。
大电流端子的发热问题如何解决?
1. 降低电阻:采用高纯度铜合金及厚镀层(镀金 ≥ 16μ");
2. 散热设计:部分端子集成散热片或采用低热阻外壳材料。
在严苛的工作环境下如何选择端子?
1. 高温环境:选择耐温 ≥ 150℃ 的端子,并匹配耐高温 PCB 材料;
2. 腐蚀环境:全塑外壳 + IP68 防护或气密性金属端子;
3. 高振动环境:优先选用压接式或带抗振动锁紧结构的端子。
如何评估端子的寿命和可靠性?
1. 接触电阻测试(长期稳定性);
2. 插拔寿命测试(如 10,000 次以上);
3. 环境测试(盐雾、湿热、热冲击)。

相关产品

产品中心, 大电流端子
产品中心, 大电流端子
产品中心, 大电流端子
产品中心, 大电流端子
产品中心, 大电流端子
产品中心, 大电流端子
产品中心, 大电流端子
产品中心, 大电流端子
产品中心, 大电流端子

‌快速打样与敏捷开发‌

数字化仿真技术提前规避设计缺陷,开发周期缩短30%;自动化产线实现样品交付提速50%;模块化框架灵活适配产品高频迭代需求。

全维度定制能力

支持IPX8防水、240H盐雾防护等特种场景定制,磁铁附着力≥50t适配极端工况,模块化组件集成E-bike/TWS设备,降本增效。

严苛品质保障体系

132项极限测试覆盖-70℃至125℃环境,微米镀层镍释放量优于欧盟标准50%;车规级端子确保ADAS系统毫秒级稳定响应。

电话 业务专线 微信 点击
复制
爱番番 爱番番 客服QQ 客服
QQ
阿里千牛 阿里
千牛
返回顶部 返回
顶部
拓普联科客服微信