新能源大电流双插孔扭簧端子 – 电动汽车充电桩专用高可靠性连接解决方案

新能源大电流双插孔扭簧端子 – 电动汽车充电桩专用高可靠性连接解决方案

材料工艺
铍铜合金(C17510)基材,表面3μm镀银处理,8-16点扭簧接触结构
电气性能
接触电阻≤0.5mΩ,机械寿命5000-20000次插拔,抗震7级
机械特性
插拔力范围2N-60N可调,接触压力均匀分布,三点定心技术确保连接稳定性:
环境适应性
工作温度-40℃~125℃,防护等级IP55(对插后),耐盐雾96小时
安全认证
通过UL1977连接器认证,符合USCAR LV214标准,耐压测试≥1500V
应用场景
电动汽车充电系统/新能源储能系统/工业电力设备的大电流连接节点

核心结构与功能

新能源大电流双插孔扭簧端子是一种专为高电流传输设计的金属导电组件,采用扭簧接触技术实现可靠电气连接。该产品由高导电金属主体和精密扭簧接触件构成,通过双插孔设计提供冗余连接路径,确保大电流传输的稳定性和安全性。

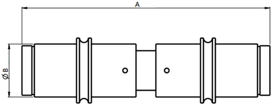
型号规格参数

型号 尺寸A(mm) 尺寸B(mm) 电流承载能力(A) 接触电阻(mΩ)
6.0 50.00 8.10 100-180 ≤0.5
8.0 50.00 10.70 200-260 ≤0.5
10.0 60.00 13.40 260-310 ≤0.5
12.0 60.00 15.30 350-410 ≤0.5
14.0 76.00 17.80 380-500 ≤0.5
16.0 70.00 19.40 500-610 ≤0.5

材料与工艺特性

  1. 主体材料
    • 采用铍铜合金(C17510)基材,具有优异的导电性和机械强度
    • 表面镀银处理(3μm厚度),确保低接触电阻和抗氧化性
  2. 扭簧结构
    • 8-16点接触设计,实现多点电流分流
    • 插拔力2N-60N可调,接触压力均匀分布
  3. 制造工艺
    • 精密冲压成型,尺寸公差控制在±0.02mm
    • 自动化装配工艺保证产品一致性

电气性能指标

  1. 电流承载
    • 自然冷却条件下75A-500A
    • 配合冷却系统可达3000A(储能系统应用)
  2. 接触特性
    • 初始接触电阻≤0.5mΩ
    • 寿命测试后变化率<20%
  3. 耐久性能
    • 机械寿命5000-20000次插拔(视等级)
    • 抗震性能通过7级地震模拟测试

典型应用场景

  1. 电动汽车充电系统
    • 充电桩大电流连接接口
    • 车载充电端口核心连接件
  2. 新能源储能系统
    • 电池组间大电流互联
    • 储能系统功率传输节点
  3. 工业电力设备
    • 大功率电机接线端子
    • 配电系统电流传输节点

产品选型


新能源大电流双插孔扭簧端子 – 电动汽车充电桩专用高可靠性连接解决方案双孔端子

选型表

新能源大电流双插孔扭簧端子 – 电动汽车充电桩专用高可靠性连接解决方案 双孔端子 选型表

产品型号 Product model产品名称 NameAB电流 Current二维图 2D drawing三维图 3D drawing三维截面图(带簧片) 3D sectional drawing (with spring contact)
6双孔端子6.0 Double-hole terminal 6.0508.1100A-180A
新能源大电流双插孔扭簧端子 – 电动汽车充电桩专用高可靠性连接解决方案双孔端子
新能源大电流双插孔扭簧端子 – 电动汽车充电桩专用高可靠性连接解决方案双孔端子
新能源大电流双插孔扭簧端子 – 电动汽车充电桩专用高可靠性连接解决方案双孔端子
新能源大电流双插孔扭簧端子 – 电动汽车充电桩专用高可靠性连接解决方案双孔端子
8双孔端子8.0 Double-hole terminal 8.05010.7200A-260A
新能源大电流双插孔扭簧端子 – 电动汽车充电桩专用高可靠性连接解决方案双孔端子
新能源大电流双插孔扭簧端子 – 电动汽车充电桩专用高可靠性连接解决方案双孔端子
新能源大电流双插孔扭簧端子 – 电动汽车充电桩专用高可靠性连接解决方案双孔端子
新能源大电流双插孔扭簧端子 – 电动汽车充电桩专用高可靠性连接解决方案双孔端子
新能源大电流双插孔扭簧端子 – 电动汽车充电桩专用高可靠性连接解决方案双孔端子
新能源大电流双插孔扭簧端子 – 电动汽车充电桩专用高可靠性连接解决方案双孔端子
10双孔端子10.0 Double-hole terminal 10.06013.4260A-310A
新能源大电流双插孔扭簧端子 – 电动汽车充电桩专用高可靠性连接解决方案双孔端子
新能源大电流双插孔扭簧端子 – 电动汽车充电桩专用高可靠性连接解决方案双孔端子
新能源大电流双插孔扭簧端子 – 电动汽车充电桩专用高可靠性连接解决方案双孔端子
新能源大电流双插孔扭簧端子 – 电动汽车充电桩专用高可靠性连接解决方案双孔端子
12双孔端子12.0 Double-hole terminal 12.06015.3350A-410A
新能源大电流双插孔扭簧端子 – 电动汽车充电桩专用高可靠性连接解决方案双孔端子
新能源大电流双插孔扭簧端子 – 电动汽车充电桩专用高可靠性连接解决方案双孔端子
新能源大电流双插孔扭簧端子 – 电动汽车充电桩专用高可靠性连接解决方案双孔端子
新能源大电流双插孔扭簧端子 – 电动汽车充电桩专用高可靠性连接解决方案双孔端子
14双孔端子14.07617.8380A-500A
新能源大电流双插孔扭簧端子 – 电动汽车充电桩专用高可靠性连接解决方案双孔端子
新能源大电流双插孔扭簧端子 – 电动汽车充电桩专用高可靠性连接解决方案双孔端子
新能源大电流双插孔扭簧端子 – 电动汽车充电桩专用高可靠性连接解决方案双孔端子
新能源大电流双插孔扭簧端子 – 电动汽车充电桩专用高可靠性连接解决方案双孔端子
16双孔端子16.07019.4500A-610A
新能源大电流双插孔扭簧端子 – 电动汽车充电桩专用高可靠性连接解决方案双孔端子
新能源大电流双插孔扭簧端子 – 电动汽车充电桩专用高可靠性连接解决方案双孔端子
新能源大电流双插孔扭簧端子 – 电动汽车充电桩专用高可靠性连接解决方案双孔端子
新能源大电流双插孔扭簧端子 – 电动汽车充电桩专用高可靠性连接解决方案双孔端子
ABCDEFGHI
如何正确计算大电流端子的电流承载能力?
1. 测量实际工作电流,包括峰值电流(如电机启动时的瞬时电流);
2. 预留安全余量:选型电流 = 测量峰值 × 1.2~1.5 倍;
3. 考虑高温影响:高温环境下,普通连接器载流能力下降,需选择耐高温工业级产品。
如何确保大电流端子的长期接触稳定性?
1. 镀层材料:镍底镀银工艺比纯铜更耐磨、耐腐蚀,长期电阻更稳定;
2. 接触压力:压力不足会导致“虚接”,推荐采用刚性插针 + 劈槽式插孔结构;
3. 抗腐蚀性:盐雾、硫化氢等环境会加速氧化,需选择通过 96H 盐雾测试的产品。
大电流端子的连接方式有哪些?如何选择?
1. 压接式:气密性高,适合高振动环境;
2. 焊接式(THR/SMT):适用于 PCB 板载,需注意焊点耐温性;
3. 插拔式:方便维护,但需确保锁紧机制(如螺旋卡口 + 止退外圈结构);
4. 选型建议:高振动场景优先选择压接或带锁紧结构的插拔式端子。
大电流端子的发热问题如何解决?
1. 降低电阻:采用高纯度铜合金及厚镀层(镀金 ≥ 16μ");
2. 散热设计:部分端子集成散热片或采用低热阻外壳材料。
在严苛的工作环境下如何选择端子?
1. 高温环境:选择耐温 ≥ 150℃ 的端子,并匹配耐高温 PCB 材料;
2. 腐蚀环境:全塑外壳 + IP68 防护或气密性金属端子;
3. 高振动环境:优先选用压接式或带抗振动锁紧结构的端子。
如何评估端子的寿命和可靠性?
1. 接触电阻测试(长期稳定性);
2. 插拔寿命测试(如 10,000 次以上);
3. 环境测试(盐雾、湿热、热冲击)。

‌快速打样与敏捷开发‌

数字化仿真技术提前规避设计缺陷,开发周期缩短30%;自动化产线实现样品交付提速50%;模块化框架灵活适配产品高频迭代需求。

全维度定制能力

支持IPX8防水、240H盐雾防护等特种场景定制,磁铁附着力≥50t适配极端工况,模块化组件集成E-bike/TWS设备,降本增效。

严苛品质保障体系

132项极限测试覆盖-70℃至125℃环境,微米镀层镍释放量优于欧盟标准50%;车规级端子确保ADAS系统毫秒级稳定响应。

电话 业务专线 微信 点击
复制
爱番番 爱番番 客服QQ 客服
QQ
阿里千牛 阿里
千牛
返回顶部 返回
顶部
拓普联科客服微信